PA入門 2025/7/2
PAとはPublic Address(パブリック・アドレス)の略で「多くの人たちに伝達を行う」というものです。 簡単にいうと、届けたい音を拾って、適切なバランスで大きな音で届ける、という意味です。
規模によって、機材の量は変わりますが、基本は変わりません。 基本をしっかり押さえましょう。
目次
信号の流れ
楽器・人 - マイク - ミキサー - パワーアンプ - スピーカー
ミキサーからスピーカーまでが一体となっているモデル、ミキサーとパワーアンプが一体となっているモデル、もありますが、大きなシステムではバラバラになります。
マイク
定番として覚えておくのは、以下の2本です。
- ボーカル用 SHURE SM58

- 楽器用 SHURE SM57

マイクスタンド
ポールは地面からしっかり離して固定しましょう。
ケーブルの種類
マイク用
XLRメス-XLRオスケーブルとなります。 キャノンコネクターとも呼ばれます。
楽器用
フォン-フォンケーブルとなります。
スピーカー用
スピコン,バナナ,フォンが使われます。 楽器用のフォンーフォンは使わないでください。

8の字巻き
ケーブルがよれたりすると、ダメージの原因となります。
8の字巻きはケーブルを巻く方法です。流儀がいくつかありますが、この方法でいいでしょう。
順巻き(内側にねじりながら)、逆巻き(外側にねじりながら、手がなかにはいる)を交互に繰り返します。
電源の入れ方、落とし方
基本音量を下げた状態で電源をON,OFFしましょう。 上げていると、突発的な信号が流れて最悪機材が破損します。
音の経路を考えよう
最初に
楽器・人 - マイク - ミキサー - パワーアンプ - スピーカー
と紹介しました。
アンプはスピーカーを鳴らせるだけの音量を上げる機材なので、電源SW, ボリュームくらいしかありません。
ミキサーを攻略することがPA理解への道となります。
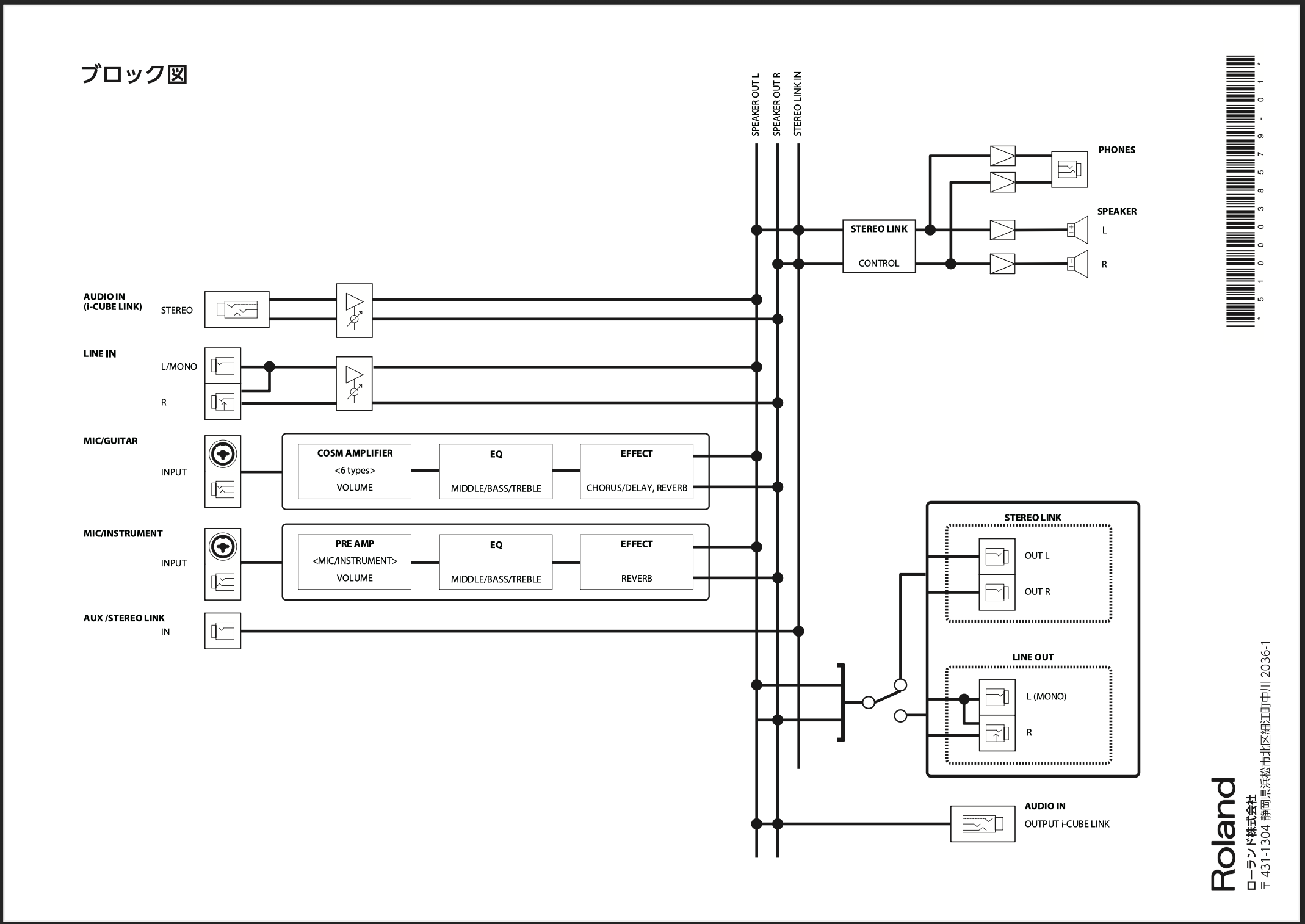
ブロックダイヤグラム
ミキサーには入出力端子やつまみがたくさんあります。
ブロックダイヤグラムの見方を覚えて、ミキサーの構成を読み解く!
イコライザー(EQ)
音質を整えるのがイコライザー(EQ)の機能です。
グラフィックイコライザー(GEQ)
グラフィックイコライザーは音場を補正するのに使います。 ちょっといいミキサーでないとついてきません。ので最初は知らなくても大丈夫です。 また後述するハウリング対策にても使われます。

パラメトリックイコライザー(PEQ)
特定の周波数を上げたり下げたりできます。 「高音がこもってるので、HIGHを少しあげる」 のように使いますが、 気づいたら全部上がってる、ってのはそんなに良い使い方ではありません。
いらないところを削る
という使い方もできるようになりましょう。
ハウリング対策
ハウリングとは
- 特定の周波数が
- スピーカーから出ているのを
- マイクでさらに拾って
- ループして共振する
状況を言います。
対策としては
- マイクとスピーカーの位置を考え直す
- PEQで該当の周波数を削る
- GEQで該当の周波数を削る
となります。
Cubeでの実践

- 電源OFF
- EQUALIZER 3つとも5。エフェクトも全部0。Volume0。MICをセレクト。
- マイクを接続
- OUTPUT POWERをECO/NORMAL/MAXから選ぶ
- 電源ON
Mixer・パワーアンプ・スピーカー使って実践
を使ってみましょう。

